Serge Voltage Controlled Slope
for music synthesizers.

VCS

 

This is a licensed adaptation of the classic Serge DTG/DUSG

The Serge VCS module released in conjunction with from bananalogue.com is an extremely versatile control voltage generator and audio source. In the early 1970s, Serge Tcherepnin developed the Positive Slew and Negative Slew modules for the original Serge synthesizer. In time these merged into the classic Dual Universal Slope Generator. The Bananalogue VCS and CGS75 are an adaptation of Serge's original circuit with a few new features.

The VCS is a unity gain voltage follower. The rising and falling slopes are independently and jointly voltage controllable over a wide range.

A detailed analysis, made by Tim Stinchcombe, of the VCS can be found here

VC Transient Envelope Generator

A pulse at the trigger input will start the envelope, or a gate input will sustain the level and the envelope will fall when the gate goes low. Rise and fall are independently and jointly voltage controllable, with variable linear and exponential wave shapes.

VC Portamento

Voltage is slewed according to the rise and fall times.

VC LFO

When the cycle switch is thrown, the trigger input is connected internally to the end trigger output, creating a VC clock with variable waveform and independent rise and fall times.

VC Oscillator

While not as wide ranged, or accurate as a dedicated oscillator module, the VCS is still an excellent audio source. The Exp CV input is scaled approximately to the 1v/oct standard. The Output wave can be swept from triangle to saw with linear and non-linear waveforms. End Out also produces a pulse waveform.

VC Non-Linear Audio Processor (Low-Pass Gate)

If an audio rate signal is slewed, the module responds like a VCF, and a rough VCA. The signal is low-pass filtered down to silence, similar to a low-pass gate.

Envelope Follower

Positive and negative peak detection envelope follower.

VC Pulse Delay

Trigger input starts the envelope and a trigger will be produced again at the End Out when the envelope completes its cycle.

Sub-Harmonic Generator

If a series of triggers are applied to the VCS faster than the total rise and fall times, the module will divide the incoming signal by a whole number. In the audio range the output will be the sub-harmonic series.

A little on how it works.

Closing SWF or SWR feeds some of the output back into the voltage controlled inputs, changing the curve of the response - i.e. allowing for increasing or decreasing rates of change of the output, thus allowing the output waveshape to be non-linear.

Bipolar out gives an inverted signal.

AC out gives the non-inverted signal, but centered around 0V.

The schematic for the Euro version is different in the area of the switches SWF and SWR, though functionality remains the same.

For those interested in the theory of operation, I recommend Tim Stinchcombe's page on the subject.


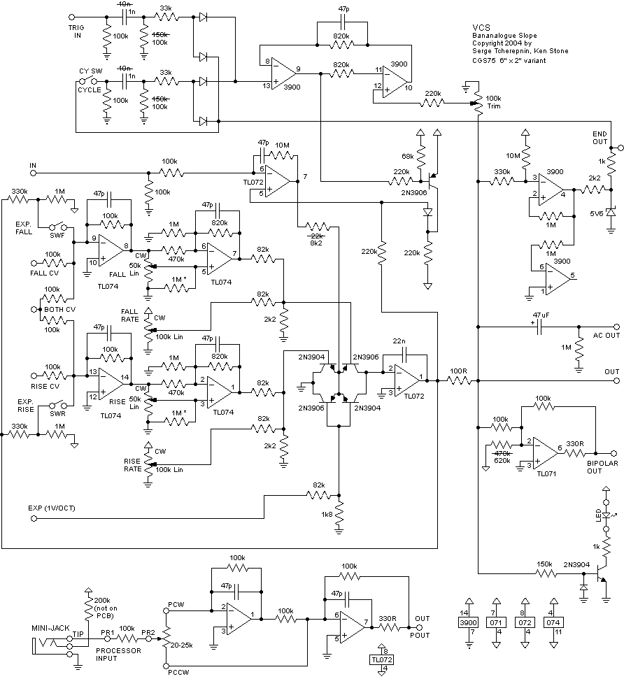
The schematic of the VCS. Several suggested component changes are indicated on the diagram.

Construction


The component overlay for the VCS. Click here for an enlarged, printable version. Print at 300dpi for a correct scale printout.

Notes: The CGS75 version of the PCB includes a voltage processor. This allows a signal to be swept from _1 gain to -1 gain (i.e. inverted). It can be used with the "both" input or signal input, or it can be ignored and the associated parts left of the PCB.

It is a good idea to match the transistors of the same type in the core with each other. At least use transistors from the same batch.

On the first run of these PCBs (REV0.0 red boards) the specified 220k resistor connected to the emitters of the four transistors should be 8k2. On the VER1.0 boards, the 22k resistor in this location should be 8k2.

Before you start assembly, check the board for etching faults. Look for any shorts between tracks, or open circuits due to over etching. Take this opportunity to sand the edges of the board if needed, removing any splinters or rough edges. (With the boards supplied by me, the edges are already milled, and etching faults are very rare.)

When you are happy with the printed circuit board, construction can proceed as normal, starting with the resistors first, followed by the IC socket if used, then moving onto the taller components.

Take particular care with the orientation of the polarized components such as electrolytics, diodes, transistors and ICs.

When inserting ICs into sockets, take care not to accidentally bend any of the pins under the chip. Also, make sure the notch on the chip is aligned with the notch marked on the PCB overlay.

The holes without pads near the input and output pads are to allow a wire to be fed up from the bottom side, looped over and then soldered to the pad. The slack is then pulled back through the hole, creating an anchor that holds the wire by its insulation, reducing the chance of wire breakage. It is also helpful for a system such as Serge, where wires are traditionally connected from the solder side of the PCB.

A problem in the genuine Serge is that cycle locks up at various frequencies due to a charge inbalance in the trigger circuit. If you experience this problem, it can be solved by changing the 10n capacitor to 1n. These changes are marked on the circuit diagram.

ac outac out jack
bobi-polar output jack
outout jack
trig intrigger in jack
cy sw(x 2) cycle switch. Switch connects these together for cycle mode
endend out jack
rrwrise rate wiper
CW end of rise rate pot connects to +ve
CCW end of rise rate pot connects to 0V
frwfall rate wiper
CW end of fall rate pot connects to +ve
CCW end of fall rate pot connects to 0V
expexponential cv jack
rise cvrise cv jack
both cvboth cv jack
ininput jack
swf(x 2) fall switch. Switch connects these together for exp. response.
swr(x 2) rise switch, Switch connects these together for exp. response.
rwrise pot wiper
rccwrise pot counter-clockwise
rcwrise pot clockwise
fcwfall pot clockwise
fccwfall pot counter-clockwise
fwfall pot wiper
fcvfall cv jack
poutprocessor output jack
pccwprocessor pot ccw
pcwprocessor pot cw
pr1processor input
pr2processor pot wiper
Note: You may need to reverse the connections to some of the pots to get them to work in the direction you wish.

Setting up:

Adjustments on the VCS board are set to obtain a 0 to +5 volt level when the unit is cycling, producing a 100Hz triangle wave. An oscilloscope is required for this adjustment. In an oscilloscope is not available, adjust for the least distorted sounding waveshape.

Notes:

  • PCB info: 2" x 6" with four 3mm mounting holes 0.15" in from the edges.
  • Will run on +/- 12 volts or +/-15 volts.

Parts list

 

This is a guide only. Parts needed will vary with individual constructor's needs.

Article, art & design copyright by Ken Stone