VOLTRON 10

Design Idea

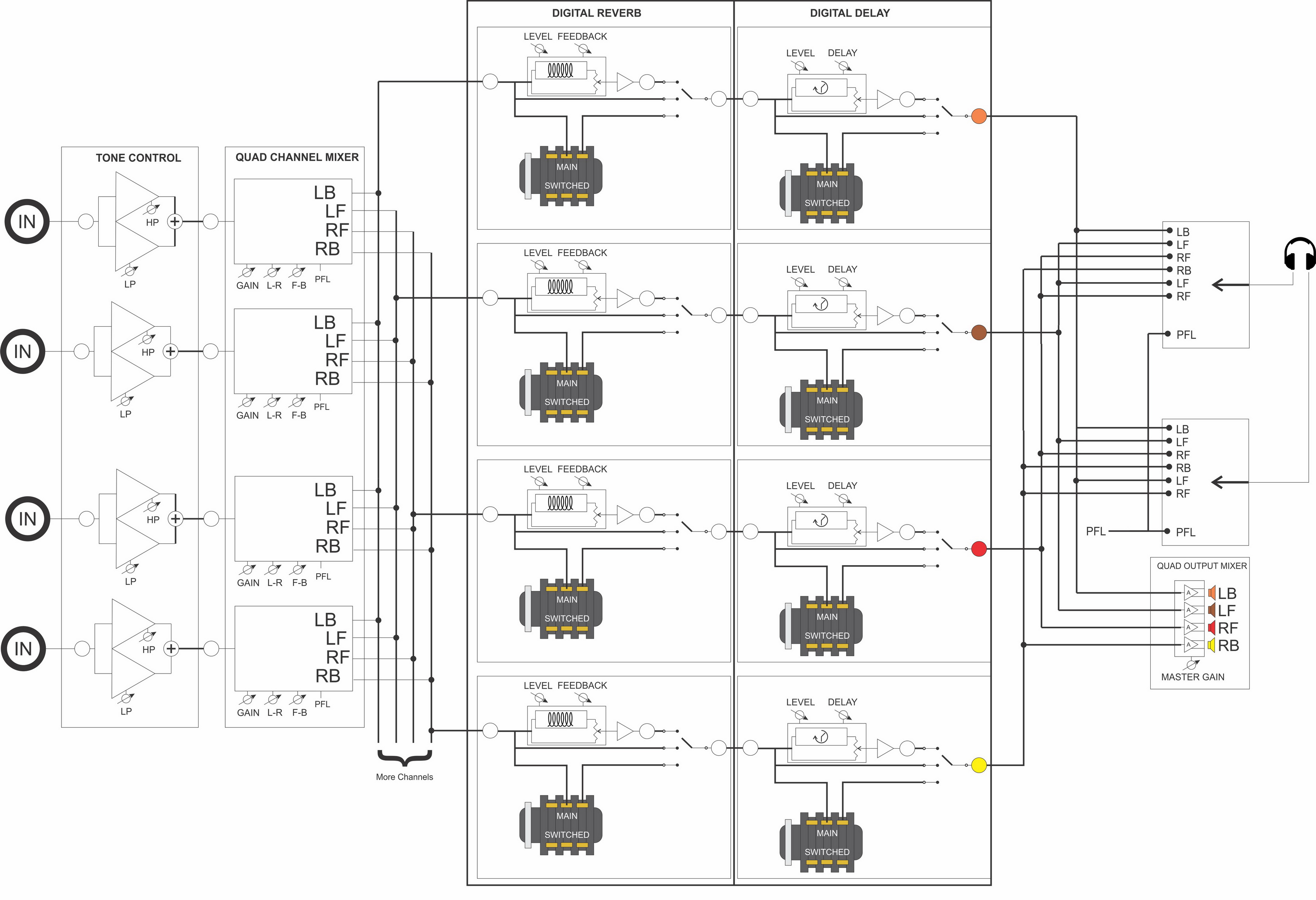
Block Diagram

CGS510 - Quad Mixer

CGS415 - Digital Reverb

CGS416 - Digital Delay

CGS417 - Shelving Equalizer

Approximate power consumption:-
+12V @ mA
-12V @ mA

Bill Of Materials

Build Notes